简体中文
无障碍浏览
长者专区
智能机器人
登录
|
注册
中国政府网
|
湖南省政府网
|
怀化市政府网
网站支持IPv6
网站首页
县政府
政务公开
解读回应
政务服务
政民互动
政府数据
魅力芷江
您的位置:
首页
>
政务公开
>
政府信息公开目录
>
部门信息公开目录
>
自然资源局
>
政策文件通知
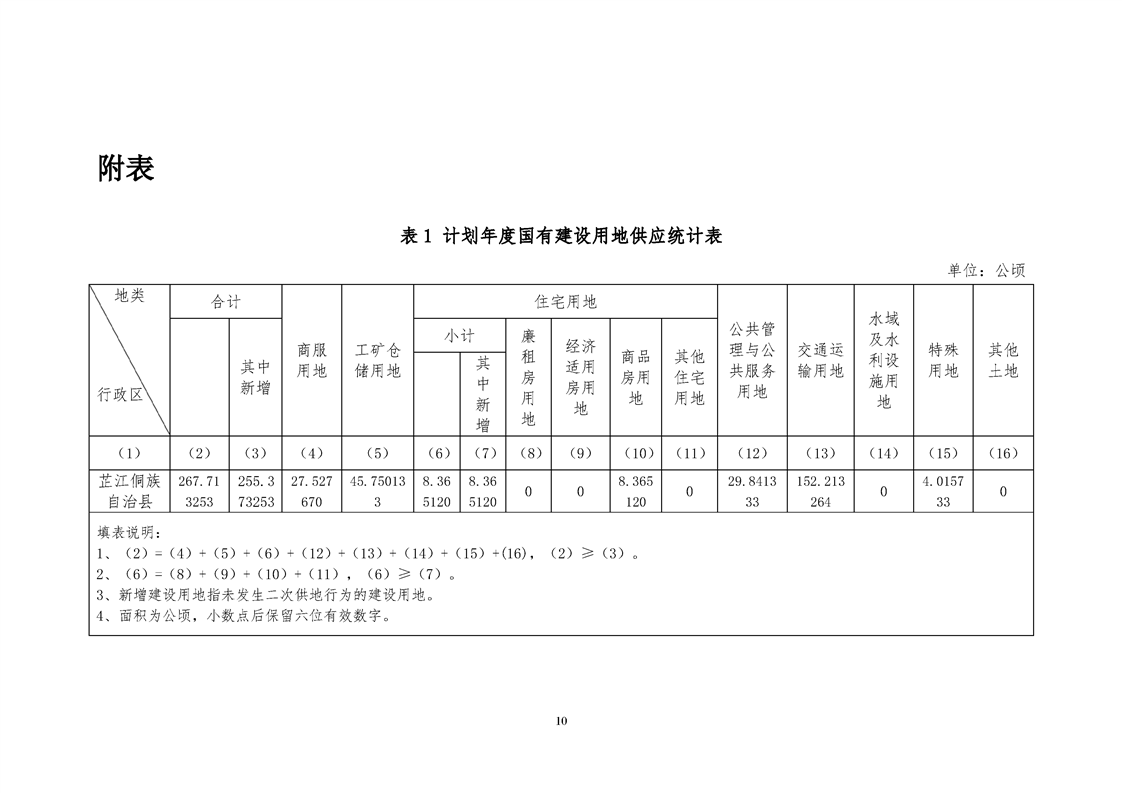
芷江侗族自治县2025年度国有建设用地供应计划
芷江侗族自治县人民政府
发布时间: 2025-10-16 09:45
分享到
打印
来源:芷江县自然资源局
县长信箱